首   頁  公司簡介  產品中心  質量體系  銷售網絡  聯系我們
 
電磁流量計
孔板流量計
渦街流量計
V錐形流量計
金屬轉子流量計
玻璃轉子流量計
插入式電磁流量計
氣體渦街流量計
智能型防腐電磁流量計
防爆型電磁流量計
管道式有機玻璃流量計
面板式有機玻璃流量計
蒸汽渦街流量計
塑料管轉子流量計
智能旋進旋渦氣體流量計
V錐形流量計
SK系列金屬管浮子流量計
SK系列超聲波流量計
SKLU系列渦街流量計
三閥組
渦輪流量計
帶溫壓補償一體式渦街流量計
一體化孔板流量計
阿牛巴流量計
威力巴流量計
智能靶式流量計
環形孔板流量計
橢圓齒輪流量計
分體式電磁流量計
插入式渦街流量計
不銹鋼玻璃轉子流量計
SKPH系列平衡流量計
便攜式超聲波流量計
手持式超聲波流量計
固定一體基本型超聲波流量計
固定一體功能型超聲波流量計
固定分體式超聲波流量計 
熱式氣體質量流量計
帶溫壓補償一體式渦街流量計
衛生型玻璃轉子流量計
分體插入式電磁流量計
護套型不銹鋼玻璃轉子流量計
衛生型渦輪流量計
氣體渦輪流量計
高壓氣體渦輪流量計
卡箍式快裝金屬管浮子流量計
單/雙聲道超聲波水表
承插式塑料管轉子流量計
法蘭式塑料管轉子流量計
方形管道式流量計
面板式有機玻璃轉子流量計(小口徑)
LZB-GA24型玻璃轉子流量計
微小型金屬管浮子流量計
LZB-VA/WA/FA30S系列玻璃轉子流量計
 
  電磁流量計的工作原理
  氧化鋯氧傳感器的原理及應用
  有害氣體檢測報警儀選用原則
  我國計量用儀器儀表的發展和現狀
  國內儀器儀表行業將發生高科....
  西安交大研制出超高溫沖擊壓....
  采用半導體精密溫度傳感......
  智能溫度傳感器的發展趨勢
  簡述幾種氣體檢測傳感器.....
  利用傳感器技術制造智能服裝
  新型傳感器監控魚群數量
   
 
聯系方式
 電話(市場部):0517-86851868  
        0517-86882048
        0517-86881908
   (拓展部):0517-86882683
 傳真:0517-86851869
 節假日商務聯系電話:
 何經理:13655238295
 紀經理:18015196880
 郵編:211600
 網址:http://m.tutu08.com/
    http://www.sukeyb.com/
 E-mail:china-suke@163.com
     sukeyb@163.com
 地址:江蘇省金湖縣工業園區環城西
 路269號
 您現在的位置 > 首頁 > 產品中心
     


面板式有機玻璃轉子流量計(小口徑)

  
    小口徑面板式有機玻璃轉子流量計廣泛應用于測量微小流量的液體或者氣體的體積流量,其主要對工作壓力小于0.4MPa;工作溫度小于60℃的介質的流量測量,主要特點是質量輕、刻度清晰、不易碎、使用壽命長。
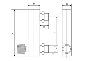
面板式有機玻璃轉子流量計(小口徑)流量及尺寸技術參數

型號

測量范圍

接口
螺紋

精度

外形尺寸

ml/min(液體)

L/min(氣體)

A

B

C

D

E

F

SKLZBY-4MZT

6~60
8~80
40~400

0.05~0.5 0.1~1
0.2~2 0.25~2.5
1~4 0.6~6  1~5 1~10 1~12

快插
連接

4%

94

27

21

14

14

70

SKLZBY-6MZT

6~60
16~160
10~70GPH 25~250
80~400
100~500
100~600 200~800
100~1000

0.1~0.8 0.1~1
0.1~1.5 0.3~3
0.4~4 0.5~8
1~5 1~12 2~10
2~20 3~15 3~30
4~20 5~25 6~30
10~60 10~70
10~100
0.05~0.25m³/h
0.04~0.4m³/h

內G1/4

102

30

25

20

M18*1.5

77

SKLZBY-8MZT

2.5~25LPH
5~45LPH
6~60LPH

0.16~1.6m³/h
0.1~1m³/h
0.2~2m³/h

110

25

25

20

M18*1.5

80

產品外形圖:

面板式有機玻璃轉子流量計零部件材質及代碼
有無調節閥

調節閥材質

接咀材質

O型圈材質

T-有調節閥
O-無調節閥

√1、黃銅
2、不銹鋼

√1、黃銅
  2、黃銅鍍鉻
3、不銹鋼

√1、硅橡膠
 2、氟塑橡膠
3、丁晴膠

注:“√”為正常產品配置


 

 

 

 

 

 

 

 

 

 

 

 

 

 

 

 

 

 

 

 

 

 

 

 

 

 

 

 

 

 

 

 

 版權所有:江蘇省蘇科儀表有限公司       技術支持│易品網絡
溫度儀表事業部     壓力儀表事業部    流量儀表事業部    校驗儀表事業部    顯示儀表事業部    變送器儀表事業部    電線電纜事業部