首   頁  公司簡介  產品中心  質量體系  銷售網絡  聯系我們
 
  溫度儀表系列
  壓力儀表系列
  流量儀表系列
  校驗儀表系列
  顯示儀表系列
  變送器儀表系列
  電線電纜系列
 
  電磁流量計的工作原理
  氧化鋯氧傳感器的原理及應用
  有害氣體檢測報警儀選用原則
  我國計量用儀器儀表的發展和現狀
  國內儀器儀表行業將發生高科....
  西安交大研制出超高溫沖擊壓....
  采用半導體精密溫度傳感......
  智能溫度傳感器的發展趨勢
  簡述幾種氣體檢測傳感器.....
  利用傳感器技術制造智能服裝
  新型傳感器監控魚群數量
   
 
聯系方式
 電話(市場部):0517-86851868  
        0517-86882048
        0517-86881908
   (拓展部):0517-86882683
 傳真:0517-86851869
 節假日商務聯系電話:
 何經理:13655238295
 紀經理:18015196880
 郵編:211600
 網址:http://m.tutu08.com/
    http://www.sukeyb.com/
 E-mail:china-suke@163.com
     sukeyb@163.com
 地址:江蘇省金湖縣工業園區環城西
 路269號
 您現在的位置 > 首頁 > 壓力儀表 > 膜片壓力表
     

YPF系列膜片壓力表

  YPF系列膜片壓力表適用于測量具有一定腐蝕性、非凝固或非結晶的各種流體介質的壓力或負壓。膜片壓力表耐腐蝕性能取決于膜片材料。

◆結構原理
  膜片壓力表由測量系統(包括法蘭接頭、波紋膜片)、傳動指示機構(包括連桿、齒輪傳動機構、指針和度盤)和外殼(包括表殼和罩圈)等組成。膜片壓力表外殼為防濺結構,具有較好的密性,故能保護其內部機構免受污穢浸入。
  膜片壓力表的作用原理是基于彈性元件(測量系統上膜片)變形。膜片壓力表在被測介質的壓力作用下,迫使膜片產生相應的彈性變形---位移,借助連桿組經傳動機構的傳動并予放大,由固定于齒輪上的指針逐將被測值在度盤上指示出來。
◆主要技術指示
精度等級:2.5
使用環境溫度:-40~+70℃;相對濕度不大于90%
溫度影響:使用溫度偏離20±5℃時,其溫度附加誤差不大于0.04%/℃
工作位置:垂直安裝。
外殼防護等級:IP64
膜片壓力表型號表示
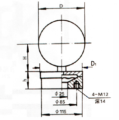
◆標度范圍、外形尺寸及重量
型號
標度范圍
承壓部
寸D1
表殼
外徑D
重量kg
YPF-100A
0~0.6、0~0.1、0~0.16、0~0.25、0~0.4
0~0.6、0~0.1、0~1.6、0~2.5、-0.1~0
-0.1~0.06、-0.1~0.15、-0.1~0.3、-0.1~0.5
-0.1~0.9、-0.1~1.5、-0.1~2.4MPa
φ85
φ100
1.6
YPF-100B
YPF-100B-F
φ115
YPF-150A
φ85
φ150
1.8
YPF-150B
YPF -150B-F
φ115
YPF-100B
YPF-100B-F
0~1.6、0~2.5、0~4、0~6、0~10、
0~16、0~25、0~40*
-1.6~0、-2.5~0、-4~0、-6~0、-10~0
-16~0、-25~0、-40~0*
-0.8~0.8、-1.2~1.2、-2~2、-3~3、-5~5、
-8~8、-12~12、-20~20*kPa
φ160
φ100
2.9
YPF-150B
YPF-150B-F
φ160
φ150
3.2
*0~40、-40~0、±20KPa規格承壓部尺寸D1為φ85
◆導壓系統及外殼等主要零件的材質
型號
名稱
導壓系統
表殼材料
膜片
法蘭接頭
密封墊圈
YPF-100A
150A
膜片壓力表
Cr15Ni7Mo
(PH15-7Mo)
316H(≤25KPa)
1Cr18Ni9
丁腈橡膠
鑄鋁
YPF-100B
150B
不銹鋼膜片壓力表
聚四氟乙烯
1Cr18Ni9
YPF-100B-F
150B-F
法蘭不銹鋼膜片壓力表
YPF-100A
YPF-100B
YPF-100B
YPF-150A
YPF-150B
YPF-150B-F
D
φ100
φ110
φ110
φ150
φ160
φ160
H
66
66
66
91
91
91
h
32
32
36
32
32
36
 
 

 

 版權所有:江蘇省蘇科儀表有限公司       技術支持│易品網絡
溫度儀表事業部     壓力儀表事業部    流量儀表事業部    校驗儀表事業部    顯示儀表事業部    變送器儀表事業部    電線電纜事業部