首  頁  公司簡介  產品中心  質理體系  銷售網絡  聯系我們
 
DBS338系列壓力變送器
DBS316系列壓力變送器
DBS208、308系列壓力變送器
單法蘭液位變送器
高靜壓差壓變送器
投入式液位變送器
雙法蘭液位變送器
負壓力變送器
微差壓變送器
壓力變送器
電感式液位變送器
法蘭式液位變送器
法蘭式陶瓷液位變送器
旋入式陶瓷液位變送器
(側裝式)翻柱液位計
差壓變送器
射頻電容液位變送器
智能變送器掌上編程器
(側裝式)翻柱控制液位計
(側裝伴熱式)翻柱液位計
SK-FIII2鍋爐磁力水位儀
(側裝式)翻柱遠傳液位計
SKD800系列雷達物位計
SK300型音叉物位開關
SK2088型壓力變送器
浮球液位控制器
導波雷達物位計
SKUQK-91浮球液位控制器
調頻波雷達物/液位計
調頻雷達物/液位計
棒式防腐雷達物位計
喇叭口雷達物位計
衛生型平面雷達物位計
拋物面雷達物位計
萬向喇叭雷達物位計
水滴天線雷達物位計
棒式雷達物位計
防腐棒式雷達物位計
喇叭天線雷達物位計
萬向喇叭雷達物位計
高溫喇叭天線雷達物位計
桿式導波雷達物位計
防腐導波雷達物位計
同軸導波雷達物位計
纜式導波雷達物位計
高溫導波雷達物位計
雙纜導波雷達物位計
單晶硅壓力變送器
單晶硅差壓變送器
 
  電磁流量計的工作原理
  氧化鋯氧傳感器的原理及應用
  有害氣體檢測報警儀選用原則
  我國計量用儀器儀表的發展和現狀
  國內儀器儀表行業將發生高科....
  西安交大研制出超高溫沖擊壓....
  采用半導體精密溫度傳感......
  智能溫度傳感器的發展趨勢
  簡述幾種氣體檢測傳感器.....
  利用傳感器技術制造智能服裝
  新型傳感器監控魚群數量
   
聯系方式
 電話(市場部):0517-86851868  
        0517-86882048
        0517-86881908
   (拓展部):0517-86882683
 傳真:0517-86851869
 節假日商務聯系電話:
 何經理:13655238295
 紀經理:18015196880
 郵編:211600
 網址:http://m.tutu08.com/
    http://www.sukeyb.com/
 E-mail:china-suke@163.com
     sukeyb@163.com
 地址:江蘇省金湖縣工業園區環城西
 路269號
 您現在的位置 > 首頁 > 產品中心
     

                SKD54A高溫喇叭天線雷達物位計

   

簡介
  SKD54A高溫喇叭天線雷達物位計傳感器是雷達式物位測量儀表測量距離最大35米,可以用于存儲罐、中間緩沖罐或過程容器的物位測量,輸出4~20mA疊加HART信號。
輸入
  高溫喇叭天線雷達物位計天線接收反射的微波脈沖并將其傳輸給電子線路,微處理器對此信號進行處理,識別出微脈沖在物料表面所產生的回波。正確的回波信號識別由智能軟件完成,精度可達毫米級。距離物料表面的距離D與脈沖的時間行程T成正比:D=C×T/2(其中C為光速)
因空罐的距離E已知,則物位L為:L=E-D
輸出
  通過輸入空罐高度E(=零點),滿罐高度F(=滿量程)及一些應用參數來設定,應用參數將自動使儀表適應測量環境。對應于4~20mA輸出。
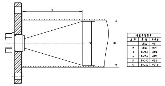
高溫喇叭天線雷達物位計參數
應  用:適用于高爐料位,較厚罐頂的儲罐和安裝短管較高的工況測量
測量范圍:35米
過程連接:萬向法蘭
介質溫度:-40~500℃
過程壓力:常壓
精  度:±15mm
頻率范圍:6GHz
防爆等級:Exb IIBT4 Gb
防護等級:IP67
信號輸出:4~20mA/HART(兩線)
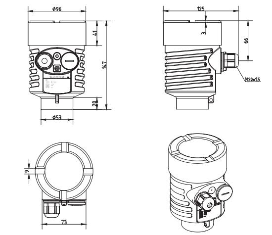
SKD54A高溫喇叭天線雷達物位計外型尺寸圖

SKD54A高溫喇叭天線雷達物位計安裝圖

SKD54A高溫喇叭天線雷達物位計選型
單元

參數

防爆

P標準型(非防爆)
I隔爆型(Exb II BT4 Gb)

過程連接

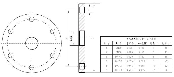
A法蘭DN150 PN16 C型
B法蘭DN200 PN16 C型
C法蘭DN250 PN16 C型
Y特殊定制

天線型式/材料

D喇叭天線146mm/不銹鋼304
E喇叭天線196mm/不銹鋼304
F喇叭天線242mm/不銹鋼304

密封/過程溫度

P 普通密封/-40…100℃
G高溫密封/-40…250℃帶散熱片

天線延長管

1.1000mm
2.1500mm
3.2000mm
4.2500mm
5.3000mm

電子單元

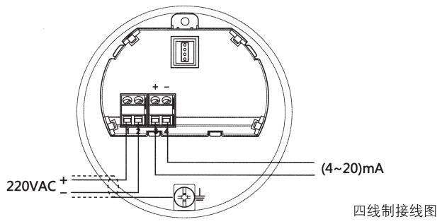
3 (4~20)mA/(24)VDC/HART兩線制
4 (4~20)mA/(~24)VDC /HART四線制
5(4~20)mA/(~220)V AC/HART四線制

外殼/防護等級

L 鋁/IP67
G 不銹鋼304/IP67

電纜進線

M M20*1.5
N 1/2NPT

特殊約定

Y 特殊定制

SKD54A高溫喇叭天線雷達物位計外形尺寸圖

SKD54A高溫喇叭天線雷達物位計法蘭選型圖



SKD54A高溫喇叭天線雷達物位計接線圖

 


 版權所有:江蘇省蘇科儀表有限公司       技術支持│易品網絡
溫度儀表事業部  壓力儀表事業部  流量儀表事業部   校驗儀表事業部  顯示儀表事業部  變送器儀表事業部  電線電纜事業部