首  頁  公司簡介  產品中心  質理體系  銷售網絡  聯系我們
 
矩形膜盒壓力表
防爆電接點壓力表
磁助電接點壓力表
耐震壓力表
耐酸壓力表
精密壓力表
膜片壓力表
隔膜壓力表
真空表、壓力真空表
不銹鋼膜盒壓力表
膜盒壓力表
不銹鋼壓力表
電接點壓力表
一般壓力表
數字顯示壓力表
防強腐全塑隔膜壓力表
氨用壓力表
電阻遠傳壓力表
耐腐耐高溫壓力表
防爆數字顯示壓力表
電阻遠傳耐震壓力表
全不銹鋼安全型壓力表
數顯電接點壓力表
絕壓壓力表
隔離式耐震磁助電接點壓力表
差動遠傳壓力表
不銹鋼差壓表
耐震電接點壓力表
雙針壓力表
氧氣壓力表
數顯壓力控制器
衛生型隔膜壓力表
隔膜耐震壓力表
氮氣壓力表
不銹鋼耐震壓力表
防爆數顯電接點壓力表
記憶型壓力表
 
 
  電磁流量計的工作原理
  氧化鋯氧傳感器的原理及應用
  有害氣體檢測報警儀選用原則
  我國計量用儀器儀表的發展和現狀
  國內儀器儀表行業將發生高科....
  西安交大研制出超高溫沖擊壓....
  采用半導體精密溫度傳感......
  智能溫度傳感器的發展趨勢
  簡述幾種氣體檢測傳感器.....
  利用傳感器技術制造智能服裝
  新型傳感器監控魚群數量
   
 
聯系方式
 電話(市場部):0517-86851868  
        0517-86882048
        0517-86881908
   (拓展部):0517-86882683
 傳真:0517-86851869
 節假日商務聯系電話:
 何經理:13655238295
 紀經理:18015196880
 郵編:211600
 網址:http://m.tutu08.com/
    http://www.sukeyb.com/
 E-mail:china-suke@163.com
     sukeyb@163.com
 地址:江蘇省金湖縣工業園區環城西
 路269號
 您現在的位置 > 首頁 > 產品中心
     

 

智能數顯差壓變送控制器

一、概述
  SK-CYKZ-100智能數顯差壓變送控制器采用進口硅壓阻傳感器作為信號測量元件。結合德國數字化AD采集技術,集壓力測量、顯示、接點控制及變送輸出、RS485通訊協議于一體的智能數字化測控產品。可直接安裝于現場壓力測量點或安裝于試驗臺控制屏上,三級密碼(用戶權限、工程師權限、生產商權限)更便于現場管理,既可用按鍵現場設定小數點位數、設備號、濾波系數(防止數值跳動)、小信號切除、阻尼、波特選擇、測量上下線值、變送輸出量程、變送器輸出類型選擇、壓力報警值、峰值、谷值等多種參數,也可通過RS485總線功能實現網絡、數字信號傳輸以及變送器參數遠程設定和調校。更便于現場整體控制,高精度智能控制器可用于校準普通壓力變送器、壓力表等,讓自動化過程測量控制與計量為一體,讓自動化生產過程測量有標準和有據可依。智能數顯差壓變送控制器廣泛應用于石油、化工、冶金、電力、水文航船及造船行業、發電廠、核電站、蒸汽熱能交換領域、各種實驗室設備和機械設備等工業過程現場的壓力測量和控制中。
二、特點
◆100標準儀表安裝
◆4位雙排LED數碼管顯示,無視值誤差.
◆四路路控制點繼電器輸出220V1A(可選)
◆4~20mA、0-10v等標準信號輸出(可選)
◆RS485通訊(可選)
◆四路控制點現場設定
◆谷值、峰值顯示
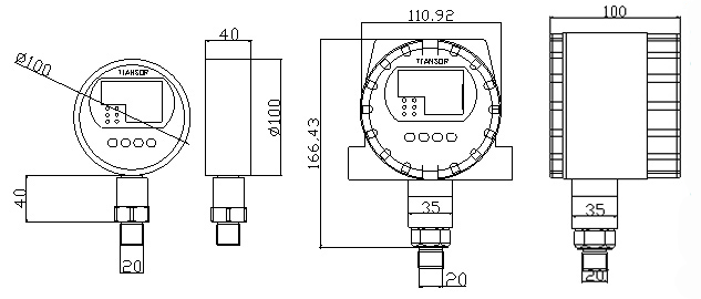
三、外形尺寸
 版權所有:江蘇省蘇科儀表有限公司       技術支持│易品網絡
溫度儀表事業部   壓力儀表事業部   流量儀表事業部  校驗儀表事業部   顯示儀表事業部   變送器儀表事業部   電線電纜事業部