首   頁  公司簡介  產品中心  質量體系  銷售網絡  聯系我們
 
  溫度儀表系列
  壓力儀表系列
  流量儀表系列
  校驗儀表系列
  顯示儀表系列
  變送器儀表系列
  電線電纜系列
 
  電磁流量計的工作原理
  氧化鋯氧傳感器的原理及應用
  有害氣體檢測報警儀選用原則
  我國計量用儀器儀表的發展和現狀
  國內儀器儀表行業將發生高科....
  西安交大研制出超高溫沖擊壓....
  采用半導體精密溫度傳感......
  智能溫度傳感器的發展趨勢
  簡述幾種氣體檢測傳感器.....
  利用傳感器技術制造智能服裝
  新型傳感器監控魚群數量
   
 
聯系方式
 電話(市場部):0517-86851868  
        0517-86882048  
        0517-86881908
   (拓展部):0517-86882683
 傳真:0517-86851869
 節假日商務聯系電話:
 何經理:13655238295
 紀經理:18015196880
 郵編:211600
 網址:http://m.tutu08.com/
    http://www.sukeyb.com/
 E-mail:china-suke@163.com
     sukeyb@163.com
 地址:江蘇省金湖縣工業園區環城西
 路269號
 您現在的位置 > 首頁 > 流量儀表 > 面板式有機玻璃轉子流量計(小口徑)
     

面板式有機玻璃轉子流量計(小口徑)



  小口徑面板式有機玻璃轉子流量計廣泛應用于測量微小流量的液體或者氣體的體積流量,其主要對工作壓力小于0.4MPa;工作溫度小于60℃的介質的流量測量,主要特點是質量輕、刻度清晰、不易碎、使用壽命長。
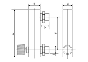
面板式有機玻璃轉子流量計(小口徑)流量及尺寸技術參數
型號

測量范圍

接口
螺紋

精度

外形尺寸

ml/min(液體)

L/min(氣體)

A

B

C

D

E

F

SKLZBY-4MZT

6~60
8~80
40~400

0.05~0.5 0.1~1
0.2~2 0.25~2.5
1~4 0.6~6  1~5 1~10 1~12

快插
連接

4%

94

27

21

14

14

70

SKLZBY-6MZT

6~60
16~160
10~70GPH 25~250
80~400
100~500
100~600 200~800
100~1000

0.1~0.8 0.1~1
0.1~1.5 0.3~3
0.4~4 0.5~8
1~5 1~12 2~10
2~20 3~15 3~30
4~20 5~25 6~30
10~60 10~70
10~100
0.05~0.25m³/h
0.04~0.4m³/h

內G1/4

102

30

25

20

M18*1.5

77

SKLZBY-8MZT

2.5~25LPH
5~45LPH
6~60LPH

0.16~1.6m³/h
0.1~1m³/h
0.2~2m³/h

110

25

25

20

M18*1.5

80

產品外形圖:

面板式有機玻璃轉子流量計零部件材質及代碼
有無調節閥

調節閥材質

接咀材質

O型圈材質

T-有調節閥
O-無調節閥

√1、黃銅
2、不銹鋼

√1、黃銅
  2、黃銅鍍鉻
3、不銹鋼

√1、硅橡膠
 2、氟塑橡膠
3、丁晴膠

注:“√”為正常產品配置


 版權 所有:江蘇省蘇科儀表有限公司       技術支持│易品網絡
溫度儀表事業部     壓力儀表事業部     流量儀表事業部     校驗儀表事業部    顯示儀表事業部     變送器儀表事業部     電線電纜事業部