聯系方式 |
| 電話(市場部):0517-86851868 |
| 0517-86882048 |
| 0517-86881908 |
| (拓展部):0517-86882683 |
| 傳真:0517-86851869 |
節假日商務聯系電話:
何經理:13655238295
紀經理:18015196880 |
| 郵編:211600 |
| 網址:http://m.tutu08.com/ |
| http://www.sukeyb.com/ |
| E-mail:china-suke@163.com |
| sukeyb@163.com |
地址:江蘇省金湖縣工業園區環城西
路269號 |
|
|
SKGW53同軸導波雷達物位計
|
測量原理
SKGW53同軸導波雷達物位計是基于時間行程原理的測量儀表,雷達波以光速運行,運行時間可以通過電子部件被轉換成物位信號。探頭發出高頻脈沖并沿纜繩傳播,當脈沖遇到物料表面時反射回來被儀表內的接收器接收,并將距離信號轉化成物位信號。
SKGW53同軸導波雷達物位計參數
應 用:介電常數低或表面波動液體
測量范圍: 6m
過程連接:螺紋、法蘭
介質溫度:-40~150℃
過程壓力:-0.1~4.0Mpa
精 度:±10mm
防爆等級:Exd IIBT4 Gb
防護等級:IP67
信號輸出:4~20mA/HART(兩線/四線)
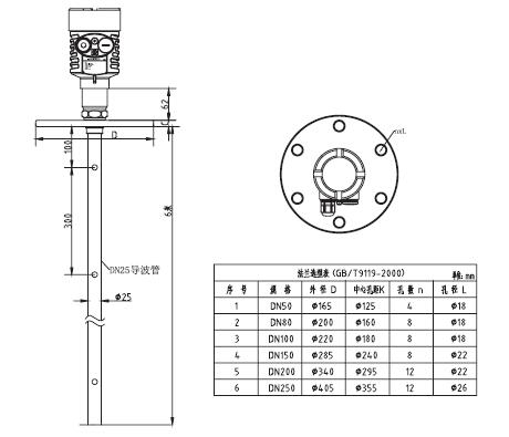
SKGW53同軸導波雷達物位計外型尺寸圖

SKGW53同軸導波雷達物位計安裝圖

SKGW53同軸導波雷達物位計選型
| 單元 |
參數 |
防爆 |
P標準型(非防爆)
I隔爆型(Exd II BT4 Gb) |
傳感器/棒式探頭 |
A 同軸外徑Φ28mm |
過程連接/材料 |
GA G1A/螺紋 不銹鋼
NA 1NPT螺紋 不銹鋼
C 法蘭DN50 PN16C 不銹鋼
D 法蘭DN80 PN16C 不銹鋼
E 法蘭DN100 PN16C 不銹鋼
F 法蘭DN150 PN16C 不銹鋼
H 法蘭DN200 PN16C 不銹鋼
K 法蘭DN250 PN16C 不銹鋼
Y特殊定制 |
密封/過程溫度 |
P 普通密封/-40…150℃ |
電子單元 |
3 (4~20)mA/24VDC/HART兩線制
4 (4~20)mA/(-24)VDC /HART四線制
5 (4~20)mA/(-220)VAC /HART四線制 |
外殼/防護等級 |
L 鋁/IP67
G 不銹鋼304/IP67 |
電纜進線 |
M M20*1.5
N 1/2NPT |
特殊約定 |
Y 特殊定制 |
相關產品推薦:桿式導波雷達物位計;防腐導波雷達物位計;纜式導波雷達物位計;高溫導波雷達物位計;雙纜導波雷達物位計;
|
|